Каталог продукции
Новости и акции
О компании
Сравнить (0)

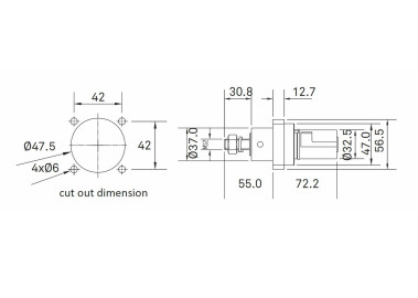
PFPD-1BN-S120M40A Line 1

разъём силовой однополюсной панельный, папа, 400А, 1000В, IP67, коричневый

Артикул: PFPD-1BN-S120M40A

Описание

Номинальный ток: 400 А непрерывно при 120 мм2; 660 А непрерывно при 240 мм2
Выдерживаемое напряжение: 1000 В переменного тока
Испытательное напряжение: 4500 В переменного тока
Номинал короткого замыкания: до 35.5 кА
Сопротивление изоляции: > 5000 МОм при 500 В переменного тока
Рабочая температура: от 45 до 85 градусов C
Тип контакта: установочный винт
Момент затяжки установочного винта на латунном контакте: 10.5 Н/метр (минимально требуемое)
Циклов соединения: 500
Воспламеняемость: UL94-V0
Соответствует CE и RoHS
Контактное сопротивление: 0.1 мОм
Степень защиты IP в соединённом состоянии: IP67
Материал контактов: латунь с посеребренным покрытием
Материал корпуса: ударопрочный термопласт
Материал шплинта: POM (технический термопласт)
Кабельный ввод M40 поставляется с двумя резиновыми втулками, 18 мм (внутренний диаметр) и 26 м (внутренний диаметр), для кабелей диаметром 19-28 мм.
Переходная втулка R120, 16.50 мм (I.D.) x 32 мм (L), для кабеля диаметром 120 мм2 входит в стандартную комплектацию.

Разъемы PowerFit совместимы с однополюсными разъемами питания основных производителей. Инновационный запатентованный штифт замка обеспечивает безопасность и удобство без дополнительных инструментов при отсоединении. Основной материал разъёма PowerFit - термопласт с высокой ударопрочностью и термостойкостью с огнезащитным составом. Эргономичная резиновая рукоятка на кабельном разъеме обеспечивает максимальный комфорт при работе. Кабельный ввод M40 входит в стандартную комплектацию. При соединении разъемов степень защиты IP67. Конструкция нажимных кнопок упрощает сцепление и расцепление. Соответствующая информация о фазах и линиях четко обозначена на разъемах для облегчения идентификации. Контакт сделан из латуни с посеребренным покрытием, что обеспечивает отличную проводимость. Кабельный разъём Source, соединяющийся с кабельным или панельным разъёмом Drain. Контакты снабжены пластиковой заглушкой для предотвращения случайного прикосновения к токоведущим частям.

- мин заказ 2 000 руб
- Без учета доставки
от 1 шт. 3 000 руб.
6 000 руб.
44.04 $ 37.41
В наличии
Количество (шт.)
Купить в один клик

Производитель

KUPO

Рекомендуемые товары

В наличии
340 руб.
Распродажа
В наличии
от 1 шт. 6 500 руб.
13 000 руб.
Распродажа
В наличии
от 1 шт. 500 руб.
1 000 руб.
Распродажа
В наличии
от 1 шт. 1 200 руб.
1 700 руб.
Распродажа
В наличии
от 1 шт. 21 000 руб.
36 000 руб.
Распродажа
В наличии
от 1 шт. 1 800 руб.
2 720 руб.
Распродажа
В наличии
от 1 шт. 7 000 руб.
12 000 руб.
Распродажа
В наличии
от 1 шт. 3 900 руб.
7 000 руб.
Распродажа
В наличии
от 1 шт. 10 000 руб.
20 000 руб.
Под заказ
от 1 шт. 45 990 руб.
49 990 руб.
Распродажа
В наличии
от 1 шт. 800 руб.
1 400 руб.
ДЭНСТЕЙП - всё сказано!

ДЭНСТЕЙП - всё сказано!

сменяя бренды стараемся не изменять качеству, поэтому новый тейп к лучшему
03.05.2026 г.
Новость
НУ ЧТО, ПОИГРАЕМ!?

НУ ЧТО, ПОИГРАЕМ!?

Представляем конструктор для создания макета реальной сцены в масштабе 1:20 – МИКРОСЦЕНА (MICRO STAGE)
15.10.2025 г.
Новость
JOYFIRST MINIMAXI

JOYFIRST MINIMAXI

мини новинки JOYFIRST с максимальными возможностями для применения
30.07.2025 г.
Новость
DIGIFAN II - вент что надо

DIGIFAN II - вент что надо

сочетая в себе эффективность, надежность и адаптивность, он является незаменимым инструментом любой инсталляции
07.02.2025 г.
Новость
просто АЙЗИ мелочи

просто АЙЗИ мелочи

новый ассортимент клэмпов ШОУМЕЛОЧИ с большим охватом и разумной ценой
08.11.2024 г.
Новость
ТОТЕМ и IP - TOTIP

ТОТЕМ и IP - TOTIP

прострел, контровой, фронтальный-рамповый, фоновый, эффектный, а комплект поставки просто БОМБА !!!
15.06.2024 г.
Новость
новинки KUPO

новинки KUPO

новые перчи KU-HAND, зацеп-крокодил, подвеска для тейпа, шнур-банджи, эластичная стяжка ... и уже на складе!!!
28.02.2024 г.
Новость
Семья однушек

Семья однушек

каппы кабельные CC1 и CB1 теперь разных размеров для разных задач и... простая замена стандартов
07.12.2023 г.
Новость
WDMX и CRMX чтоб был!!!

WDMX и CRMX чтоб был!!!

серия приборов для приёма-передачи беспроводного сигнала DMX на основе компонентов LumenRadio
15.10.2023 г.
Новость
Семейство CONVI CLAMP

Семейство CONVI CLAMP

клэмпы малого размера и малого веса, но для любых задач и диаметров обхвата, включая квадратные и плоские формы
07.06.2023 г.
Новость
more newsУзнай о наших новостях и акциях первым!
Продолжая использовать fortlamps.ru, вы соглашаетесь на использование файлов cookie.
×